U I Transformers
A range of high quality low profile encapsulated isolating transformers with twin 115V AC 50/60 HZ primary windings which may be connected in series for 230V or parallel for 115V operation designed for through hole soldering direct to printed circuit boards, mechanical fixing can be supplemented by 4 self tapping screws using holes moulded into the corner of the case.
- Double section glass fibre reinforced polymide bobbins
- 5 KV primary /secondary isolation
- 100% electrical and flash tested
- High efficiency and low temperature rise
- Low radiated noise
- Extra fixing holes for secure board mounted
- Low interwinding Capacitance
StandardSecondaryOutput:
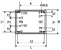
| Rated | Overall Size | Fixed Centres | |||
|
VA |
L |
W |
H |
C1 |
C2 |
|
2 |
53 |
44 |
17.6 |
37.5 |
47.5 |
|
4 |
53 |
44 |
19.6 |
37.5 |
47.5 |
|
6 |
68 |
57 |
22.6 |
37.5 |
47.5 |
|
10 |
68 |
57 |
22.8 |
50 |
62.5 |
|
14 |
68 |
57 |
24.4 |
50 |
62.5 |
|
18 |
68 |
57 |
27.6 |
50 |
62.5 |
|
24 |
68 |
57 |
31.4 |
50 |
62.5 |
|
30 |
68 |
57 |
35.8 |
50 |
62.5 |
| Rated |
Pin Configuration |
||||
|
VA |
P1 |
P2 |
S1 |
S2 |
A |
|
2 |
15 |
10 |
25 |
5 |
35 |
|
4 |
15 |
10 |
25 |
5 |
35 |
|
6 |
15 |
10 |
25 |
5 |
35 |
|
10 |
16 |
15 |
26 |
10 |
45 |
|
14 |
16 |
15 |
26 |
10 |
45 |
|
18 |
16 |
15 |
26 |
10 |
45 |
|
24 |
16 |
15 |
26 |
10 |
45 |
|
30 |
16 |
15 |
26 |
10 |
45 |